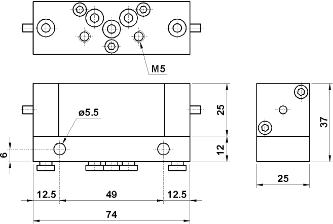
Memoria bistabile
Codice: 04.002.4

Pressione di azionamento a 6 bar: 1.5 bar