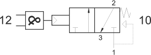
3/2 1/4" NC comando pneumatico con elemento AND integrato, ritorno a molla
Codice: 01.010.4

Sigla: 322 ANDM

Non può essere utilizzata come valvola normalmente aperta.