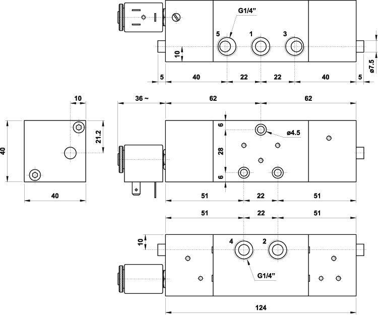
Oscillatore 5/2 1/4" con 2 NOT a comando elettrico, senza bobina
Codice: 10.019.3